Products
※ SPECIFICATION
| ELECTRICAL RATING | 0.2A , DC30V 1A , AC125V 3A , 250V | |
| CONTACT RESISTANCE | ≤30mΩ | |
| INSULATION RESISTANCE | ≥100MΩ | |
| DIELECTRIC STRENGTH | AC500V 50Hz / 1 Minute | |
| LIFE EXPECTANCY | 10,000 cycles | |
KW10-01
Swipe left and right more
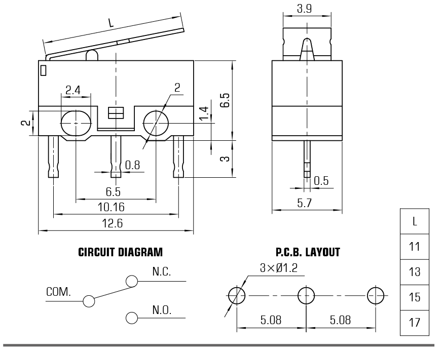
※ KW10-01
| Funtion: | Momentary action |
| Contact Arrangement: | SPDT |
| Termination: | THD version |
※ DIAGRAM

※ SPECIFICATION
| ELECTRICAL RATING | 0.2A , DC30V 1A , AC125V 3A , 250V | |
| CONTACT RESISTANCE | ≤30mΩ | |
| INSULATION RESISTANCE | ≥100MΩ | |
| DIELECTRIC STRENGTH | AC500V 50Hz / 1 Minute | |
| LIFE EXPECTANCY | 10,000 cycles | |




khancn3
